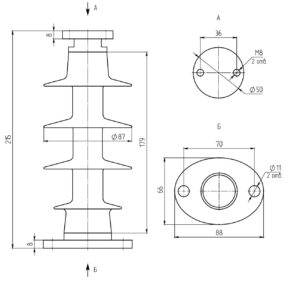
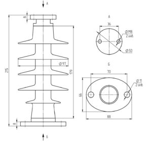
Изоляторы изготавливаются на базе стеклопластикового стержня с запрессованными на его концах фланцами и покрытым изолирующей монолитной внешней оболочкой из кремнийорганической композиции.
Электрическая прочность стеклопластикового стержня вдоль волокон не менее 3,5 кВ/мм.
Изолирующая оболочка изготовляется из кремнийорганической композиции, выполненной способом заливки стержня в литьевой форме. Цельнолитой способ изготовления оболочки обеспечивает стойкость к проникновению воды под защитную оболочку.
Конструкция фланцев изоляторов не имеет углублений, приводящих к скапливанию воды. Сварные швы стальных фланцев обеспечивают герметичность внутреннего объема изолятора.
Фланцы и крепежные элементы имеют антикоррозийное защитное покрытие, соответствующее требованиям ГОСТ Р 51177 и рассчитанное на полный срок эксплуатации изоляторов.
| Назначение | ОСК2–10–А–2УХЛ1 / ОСК2–10–А–4УХЛ1 |
| Номинальное напряжение, кВ | 10 |
| Испытательное напряжение полного грозового импульса, кВ | 75 |
| Механическая разрушающая сила на изгиб, кН, не менее — нормируемый параметр | 2 |
| Отклонение под действием максимальной эксплуатационной нагрузки на изгиб, мм, не более: | 1 |
| Минимальное разрушающее усилие на растяжение, кН | — |
| Длина пути утечки, см, не менее | 30 |
| Диапазон рабочих температур, °С | – 60 +50 |
| Масса, кг, не более | 1,2/1,3 |
Изолятор ОСК 2-10-А-2

Изолятор ОСК 2-10-А-4